Vissza#017984, Eladó új építésű családi ház a herényi városrészen
Szobák: 4 Lakóterület: 83.00 m2 Erkély/terasz: 12 m2 Telek: 400.00 m283 000 000,- Ft
83 000 000,- FtSzobák: 4 Lakóterület: 83.00 m2 Erkély/terasz: 12 m2 Telek: 400.00 m2
Janzsó Zoltán
+36 20 66 508 66
- Település: Szombathely
- Ügyvitel típusa: Eladó
- Építési mód: tégla
- Építés éve: 2026
- Fűtési mód: Gáz (cirko)
- Lakótér mérete: 83.00 m2
- Telek mérete: 400.00 m2
- Szobák száma: 4
- Ár: 83 000 000,- Ft
Az ingatlan bemutatása
Szombathely északi részén eladó új, tégla építésű családi ház!
Az ingatlan elhelyezkedése:
A megyeszékhely legzöldebb városrésze a herényi kertváros, melyet patakok, parkok, erdősávok határolnak, beleértve a csodaszép arborétumot. Ellátottsága kiváló, bevásárlóközpont, szupermarketet, a várost elkerülő útvonal autóval pár percen belül elérhető.
Az ingatlan jellemzői:
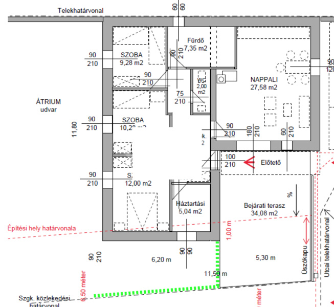
Az 1100 m²-es telken 3 különálló családi ház épül, melyek közül már csak egy eladó! Mindhárom épülethez tartozik:
- önálló telekrész,
- saját terasz
- saját parkolóhely.
Az eladó ingatlanok egyenként 83 m² alapterületűek, melyek választhatók nappali + 2 vagy nappali + 3 szobás kialakítással. Fűtése gáz-cirkó kazán, padlófűtéssel, valamint klímaberendezés.
Várható átadás: 2027 tavasz.
A tulajdonos az értékesítést kizárólag a 9700.hu Ingatlanirodára bízta.
Az ingatlan további adatai
- Típusa: családi ház
- Állapota: új építésű
- Parkolás: beállón
- Tájolás: kelet-nyugati tájolás
- Klíma: saját split klíma
- Terasz területe: 12.00 m2
- Szobák száma: 4









